搬运模具的时候,一定要在FREE-VEYOR上前后左右移动决定其位置。

     

如果上模下降,夹住下模,FREE-VEYOR在夹模器力的作用下压入,

 

下模与锭脚密切连接。

   

拆卸模具的时候,用FREE-VEYOR内的弹簧的弹力使模具上升,

 

模具从锭脚上分离下来。

     

把模具在FREE-VEYOR上轻轻移动,拆卸。

 

模具的底面有凸凹的情况下,底面插入铁板(3.2吨以上)。

 
 
 

 
     
 

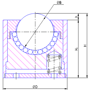
형 식

H

H2

h

D

B

자 중

허용자중

C-8HS

45±0.1

40.3

4.7

44±0.1

25.40

370g

100kg

 
     
 
 

把20个FREE-VEYOR C-8HS安装在锭脚上的情况下,. SET的模具重量需要在2吨以内。
FREE-VEYOR的滚动阻力是实际测量值的3/100。
所以1吨的模具需要30公斤的力来推动。
模具重量1吨需要10个FREE-VEYOR C-8HS,夹住模具的情况下, 夹模器力把C-8HS插入2mm的力是180kg 10-模具重量1吨=800kg。
所以,需要800kg以上的夹力。

 
 
     
   
 

 
 

압입량(m/m)

0.5

1.0

1.5

2.0

형  식 C-8HS

120

140

160

180

 
     
 

 
     

 

 

#20-2 Jukgok-ri, Jinyeong-eup, Kimhae-city, Gyeongsangnam-do, Republic of Korea
Tel : 82-55-343-9733~5
Fax : 82-55-343-9736
All Contents Copyright Since 2005 SOOBO INDUSTRIAL Co., Ltd.