|

|
| |
 |
|
| |

|
|
| |
|
|
| |

|
|
| |

|
|
| |
|

|
| |
|
|
| |
|
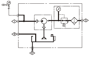
使用泵(空气驱动液压)做HMS动力单元,这种小型的液压装置能产生非常高的压力。
和VF式的NON-Leak阀门单元一起使用,是最理想的夹模器系统和模具升降液压动力。
有几个种类的泵,根据使用条件和用途,选择最合适的泵。
|
| |
|
HMS POWER UNIT is a small-sized Hydraulic Device to generate very high pressure by Pump(Air-driving hydraulic pressure) If using with VF Type Non-leak valve unit, it is best desirable as the hydraulic source for Clamp System and Die Lifter. There are many kinds of Pumps, you can choose one best suitable on the terms & purposes of using.(See Pl6)
|
|
|
| |
|
|
 |
|
|
| |
|
|
| |

|
|
| |

|
|
| |
|
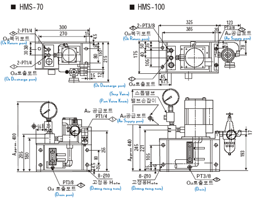
Max. Air Feeding Pressure
|
9.5㎏f/㎠
|
|
Air Pressure Range feeding to the
Pump(Setting to Reducing Valve)
|
2~6㎏f/㎠
|
|
Working Temp. Range
|
5~6℃
|
|
Oil Discharge Q'ty
|
도표참조
|
|
Working Oil
|
General Hydraulic Oil
|
|
|
| |
|
|
| |

|
|
| |

|
|
| |
|
①
Form
|
|
50-7
|
50-7
|
|
70-8
|
70-8
|
|
70-10
|
70-10
|
|
70-12
|
70-12
|
|
100-12
|
100-12
|
|
100-15
|
100-15
|
|
|
② Pressure gauge
|
|
No Mark
|
No
|
|
G
|
With Pressure Gauge
|
|
|
|
| |
|
|
| |

|
|
| |

|
|
| |

|
|
| |
|
|
| |

|
|
| |

|
|
| |

|
|
| |

|
|
| |

|
|
| |
|
|
| |
|
|
| |
 |
|
| |
|
|
| |

|
|
| |
|
|
| |

|
|
| |

|
|
| |
|

|
| |
|
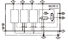
VF-MD是手动式(Pilot空气)阀门单元。
空气Pilot驱动的方向控制阀门是NON-Leak式。
所以即使油的供应中断,也可以长时间保持压力。
和HMS 动力单元一起使用。(Normal open).
空气Pilot驱动的方向控制阀门和压力开关根据电路的目的,可以非常容易地更换。 (歧管式 Manifold))
|
|
|
| VF-MD is manual(Pilot Air) Valve Unit. Direction Control Valve operated by Air Pilot is feeding is stop, Pressure is kept for a long time(Normal open). Non-Leak type. Therefore, though Oil time. It is used with HMS power.
|
|
|
|
|
 |
|
|
| |
|
|
| |

|
|
| |

|
|
| |
|
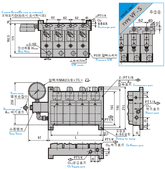
Max. Hydraulic Pressure
|
440㎏f/㎠
|
|
Max. Air Feeding Pressure
|
9.5㎏f/㎠
|
|
Working Temp. Range
|
5~60℃
|
|
Valve Orifice Diameter
|
4㎜
|
|
Allowable Oil
|
5ℓ
|
|
Working Oil
|
General Hydraulic Oil
|
|
|
| |
|
|
| |

|
|
| |

|
|
| |
|

|
| |
| |
|

|
| |
|
①The number of circuit
|
|
No Mark
|
1회로
|
|
2
|
2회로
|
|
3
|
3회로
|
|
4
|
4회로
|
|
|
③ With Pressure Gauge
|
|
No Mark
|
No
|
|
R
|
With safety valve
|
|
L
|
With interlock circuit
|
|
T
|
ONE-TWO
|
|
| |
|
|
② Operating Valves No.
|
|
1
|
1개
|
|
2
|
2개
|
|
3
|
3개
|
|
4
|
4개
|
|
|
④ Pressure gauge
|
|
No Mark
|
No
|
|
G
|
With pressure gauge
|
|
|
|
|
|
|
 |
|
|
| |
|
|
| |

|
|
| |

|
|
| |

|
|
| |
|
|
| |
 |
|
| |

|
|
| |

|
|
| |
|
|
| |
 |
|
| |

|
|
| |

|
|
|

|